| : | Apr 8, 2005 |
_files/LoadAsset.jpg)
| 1 | - | PRND LCD display |
| 2 | - | M/S LCD display |
| 3 | - | Selector lever assembly |
| 4 | - | Instrument cluster |
| 5 | - | Automatic transmission |
| 6 | - | Transmission fluid cooler |
| The transmission shown is exploded to the extent of the serviceable items |
_files\LoadAsset(1).jpg)
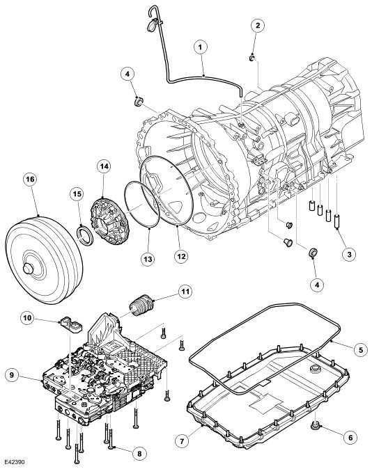
| 1 | - | Breather tube |
| 2 | - | Plug |
| 3 | - | Seal sleeves |
| 4 | - | Seal - Selector shaft (2 off) |
| 5 | - | Gasket |
| 6 | - | Drain plug |
| 7 | - | Fluid pan |
| 8 | - | Torx screws |
| 9 | - | Mechatronic valve block |
| 10 | - | Element seal |
| 11 | - | Electrical connector – guide sleeve |
| 12 | - | O-ring |
| 13 | - | O-ring |
| 14 | - | Pump housing (not a serviceable component) |
| 15 | - | Input shaft seal |
| 16 | - | Torque converter |
: Take care when removing the fluid pan and/or replacing the Mechatronic
valve block that neither the fluid pan gasket or the mating face on the
transmission casing is damaged or leakage may occur. Do not use metal
tools to prise the fluid pan from the transmission casing. Take care when
positioning a new mechatronic unit to ensure it does not contact the
casing face. |
_files\LoadAsset(2).jpg)
| 1 | - | Torque converter lock-up clutch |
| 2 | - | Torque converter |
| 3 | - | Fluid pump |
| 4 | - | Single planetary gearset |
| 5 | - | Clutch A |
| 6 | - | Clutch B |
| 7 | - | Clutch E |
| 8 | - | Brake C |
| 9 | - | Brake D |
| 10 | - | Double planetary gearset |
| 11 | - | Park lock gear |
| 12 | - | Output shaft |
| 13 | - | Park lock pawl |
| 14 | - | Drain plug |
| 15 | - | Magnet |
| 16 | - | Pressure regulator |
| 17 | - | Mechatronic valve block |
| 18 | - | Fluid filter |
| 19 | - | Fluid pan |
| 20 | - | Input shaft |
| 21 | - | Transmission casing |
_files\LoadAsset(3).jpg)
| 1 | - | Impeller |
| 2 | - | Turbine |
| 3 | - | Stator |
| 4 | - | Freewheel |
| 5 | - | Torque converter hub |
| 6 | - | Stator shaft |
| 7 | - | Turbine shaft |
| 8 | - | Drive plate |
| 9 | - | Journal - Drive plate location |
| 10 | - | Torque converter cover |
| 11 | - | Lock-up clutch piston |
| 12 | - | Lock-up clutch plate |
_files/CA4LDPY0.jpg)
| 1 | - | Turbine |
| 2 | - | Impeller |
| 3 | - | Stator |
| 4 | - | Freewheel |
| 5 | - | Torque converter hub |
| 6 | - | Stator shaft |
| 7 | - | Turbine shaft |
| 8 | - | Journal - Drive plate location |
| 9 | - | Torque converter cover |
| 10 | - | Lock-up clutch piston |
| 11 | - | Drive plate |
| 12 | - | Lock-up clutch plate |
| 13 | - | Torsional vibration damper |
| Typical torque converter shown |
_files/CAZYW3NP.jpg)
| 1 | - | Turbine |
| 2 | - | Stator |
| 3 | - | Impeller |
| Typical stator shown |
_files/CA6RSNWT.jpg)
| 1 | - | Blades |
| 2 | - | Stator held – fluid flow redirected |
| 3 | - | Stator rotates freely |
| 4 | - | Roller |
| 5 | - | Converter at coupling speed |
| 6 | - | Fluid flow from turbine |
| 7 | - | Converter multiplying |
| 8 | - | Fluid flow from impeller |
| 9 | - | Drive from engine |
| 10 | - | Impeller |
| 11 | - | Stator |
| 12 | - | Turbine |
| 13 | - | Output to transmission |
_files/CAQZGL01.jpg)
| 1 | - | Sprags |
| 2 | - | Inner race |
| 3 | - | Outer race |
| 4 | - | Sprag and cage assembly |
| 5 | - | Sprag outer race |
| 6 | - | Sprag inner race |
| 7 | - | Retaining ring |
_files/CARE5THI.jpg)
| A | - | Unlocked condition |
| B | - | Locked condition |
| 1 | - | Clutch plate |
| 2 | - | Clutch piston |
| 3 | - | Torque converter body |
| 4 | - | Turbine |
| 5 | - | Impeller |
| 6 | - | Stator |
| 7 | - | Piston chamber |
| 8 | - | Turbine chamber |
_files/CACD21U9.jpg)
| 1 | - | Securing ring |
| 2 | - | Shaft oil seal |
| 3 | - | O-ring seal |
| 4 | - | Pump housing |
| 5 | - | Ring gear |
| 6 | - | Crescent spacer |
| 7 | - | Roller bearing |
| 8 | - | Impeller |
| 9 | - | Centring pin |
| 10 | - | Spring washer |
| 11 | - | Outlet port (high pressure) |
| 12 | - | Inlet port (low pressure) |
_files/CAJBLX0Q.jpg)
| 1 | - | Position switch |
| 2 | - | Sliding block |
| 3 | - | Selector spool valve |
| 4 | - | Position switch assembly |
| 5 | - | Electronic Pressure Regulator Solenoid (EPRS) 6 |
| 6 | - | Solenoid Valve 1 |
| 7 | - | EPRS 4 |
| 8 | - | EPRS 5 |
| 9 | - | EPRS 3 |
| 10 | - | EPRS 2 |
| 11 | - | EPRS 1 |
| 12 | - | Electrical connector |
| 13 | - | Transmission Control Module (TCM) |
| 14 | - | Valve housing |
| 15 | - | Valve plate |
| 16 | - | Torque converter retaining valve |
| 17 | - | Clutch return valve |
| 18 | - | Element seal |
| 19 | - | Pressure regulator dampers |
| 20 | - | Intermediate plate |
_files/CAI34PAZ.jpg)
| 1 | - | Selector spool valve |
| 2 | - | Lubricating valve |
| 3 | - | Torque converter pressure valve |
| 4 | - | System pressure valve |
| 5 | - | Torque converter clutch valve |
| 6 | - | Retaining valve – Clutch E |
| 7 | - | Clutch valve E |
| 8 | - | Clutch valve A |
| 9 | - | Valve housing |
| 10 | - | Bolts |
| 11 | - | Retaining valve – Clutch A |
| 12 | - | Retaining valve – Clutch B |
| 13 | - | Pressure reducing valve |
| 14 | - | Shift valve 1 |
| 15 | - | Retaining valve – Brake D |
| 16 | - | Shift valve 2 |
| 17 | - | Damper |
| 18 | - | Electronic Pressure Regulator Solenoid (EPRS) 6 |
| 19 | - | Solenoid valve 1 |
| 20 | - | EPRS 4 |
| 21 | - | EPRS 5 |
| 22 | - | EPRS 2 |
| 23 | - | EPRS 3 |
| 24 | - | EPRS 1 |
_files/CA4PIVCT.jpg)
| 1 | - | Retaining valve – Brake D2 |
| 2 | - | Clutch valve – Brake D2 |
| 3 | - | Clutch valve B |
| 4 | - | Valve plate |
| 5 | - | Clutch valve – Brake D1 |
| 6 | - | Clutch valve – Brake C |
_files/CAKZD3U6.jpg)
| EPRS | Function |
|---|---|
| 1 | Clutch A |
| 2 | Clutch B |
| 3 | Clutch C |
| 4 | Brake clutches D and E |
| 5 | System pressure control |
| 6 | Torque converter lock-up control |
_files/CA4ZMX0Z.jpg)
_files/CAV8Y8B6.jpg)
| 1 | - | Input shaft |
| 2 | - | Main pressure supply port |
| 3 | - | Piston |
| 4 | - | Cylinder – External plate carrier |
| 5 | - | Clutch plate assembly |
| 6 | - | Baffle plate |
| 7 | - | Diaphragm spring |
| 8 | - | Output shaft |
| 9 | - | Bearing |
| 10 | - | Dynamic pressure equalisation chamber |
| 11 | - | Piston chamber |
| 12 | - | Lubrication channel |
_files/CA84BJII.jpg)
| 1 | - | Cylinder |
| 2 | - | Baffle plate |
| 3 | - | Ring gear |
| 4 | - | Planetary gear carrier |
| 5 | - | Planetary gear spider |
| 6 | - | Torque converter input shaft |
_files/CAMV0BQZ.jpg)
| 1 | - | Planetary gear spider |
| 2 | - | Planetary gears (short) |
| 3 | - | Ring gear |
| 4 | - | Output shaft |
| 5 | - | Planetary gear |
| 6 | - | Sunwheel |
| 7 | - | Double planetary gears (long) |
| 8 | - | Sunwheel |
_files/CAC78DSF.jpg)
| 1 | - | Torque input from engine |
| 2 | - | Torque converter lock-up clutch |
| 3 | - | Single web planetary gear carrier |
| 4 | - | Single web planetary gears |
| 5 | - | Single web sunwheel 1 |
| 6 | - | Double web sunwheel 2 |
| 7 | - | Double web planetary gears - Long |
| 8 | - | Double web planetary gear carrier |
| 9 | - | Double web planetary gears - Short |
| 10 | - | Double web sunwheel 3 |
| 11 | - | Torque output from transmission |
| A | - | Multiplate clutch |
| B | - | Multiplate clutch |
| C | - | Multiplate brake |
| D | - | Multiplate brake |
| E | - | Multiplate clutch |
| Gear | 1st | 2nd | 3rd | 4th | 5th | 6th | Reverse |
|---|---|---|---|---|---|---|---|
| Ratio | 4.171 | 2.340 | 1.521 | 1.143 | 0.867 | 0.691 | 3.403 |
| Gear Selector Lever Position | Shift Control Solenoid Valve | Electronic Pressure Regulator Solenoids (EPRS) | |||||
|---|---|---|---|---|---|---|---|
| 1 | 2 | 3 | 4 | 5 | 6 | ||
| P | ON | -ON- | |||||
| R | ON | ON | -ON- | ||||
| N | ON | -ON- | |||||
| D 1 | ON | ON | -ON- | -ON- | |||
| D 2 | ON | ON | -ON- | -ON- | |||
| D 3 | ON | ON | -ON- | -ON- | |||
| D 4 | ON | ON | ON | -ON- | -ON- | ||
| D 5 | ON | ON | ON | -ON- | -ON- | ||
| D 6 | ON | ON | ON | -ON- | -ON- | ||
| ON = Active (pressure build up) OFF = Inactive -ON- = Inactive (pressure drain) | |||||||
| Gear Selector Lever Position | Shift Control Solenoid Valve | Clutch | Brake | ||||
|---|---|---|---|---|---|---|---|
| A | B | E | WK | C | D | ||
| P | X | ||||||
| R | X | X | |||||
| N | X | ||||||
| D 1 | X | X | X | ||||
| D 2 | X | X | X | ||||
| D 3 | X | X | X | ||||
| D 4 | ON | X | X | X | |||
| D 5 | ON | X | X | X | |||
| D 6 | ON | X | X | X | |||
| X = clutch applied | |||||||
_files/CAMW90PR.jpg)
| 1 | - | Turbine shaft |
| 2 | - | Stator shaft |
| 3 | - | Single web planetary gear train |
| 4 | - | Ring gear 1 |
| 5 | - | Clutch A |
| 6 | - | Clutch B |
| 7 | - | Clutch E |
| 8 | - | Brake clutch C |
| 9 | - | Fixed connection to transmission housing |
| 10 | - | Shaft key |
| 11 | - | Brake clutch D |
| 12 | - | Double web planetary gear train |
| 13 | - | Planetary gears - Long |
| 14 | - | Ring gear 2 |
| 15 | - | Sunwheel 2 |
| 16 | - | Sunwheel 3 |
| 17 | - | Double web planetary gear carrier |
| 18 | - | Planetary gears - short |
| 19 | - | Single web planetary gear carrier |
| 20 | - | Sunwheel 1 |
_files/CAK8CLCF.jpg)
| Refer to 'Shift Elements' illustration for key |
_files/CAUQVJH8.jpg)
_files/CAYJCD2V.jpg)
| Refer to 'Shift Elements' illustration for key |
_files/CAQFOHMZ.jpg)
_files/CAB5ZZU0.jpg)
| Refer to 'Shift Elements' illustration for key |
_files/CA8LUVW9.jpg)
_files/CA4V6JIV.jpg)
| Refer to 'Shift Elements' illustration for key |
_files/CAOL23CZ.jpg)
_files/CA2GEY55.jpg)
| Refer to 'Shift Elements' illustration for key |
_files/CAGDOXEZ.jpg)
_files/CAQ089I8.jpg)
| Refer to 'Shift Elements' illustration for key |
_files/CASK6KT7.jpg)
_files/CAXTHRAV.jpg)
| Refer to 'Shift Elements' illustration for key |
_files/CAG9MJKT.jpg)
| 4.0L V6 Petrol shown, 4.4L V8 and TdV6 similar |
_files/CAKGT6ZZ.jpg)
| 1 | - | Transmission cooler |
| 2 | - | Return pipe (To transmission) |
| 3 | - | Feed pipe (From transmission) |
_files/CACTA785.jpg)
| 1 | - | Selector lever |
| 2 | - | Finisher |
| 3 | - | PRND display |
| 4 | - | M/S display |
| 5 | - | Switch pack and finisher |
| 6 | - | Shutter |
| 7 | - | Selector assembly |
| 8 | - | Interlock emergency release lever |
| 9 | - | Mounting plate |
| 10 | - | Seal |
| 11 | - | Selector cable |
_files/CAOX3TFS.jpg)
| Pin No. | Description | Input/Output |
|---|---|---|
| 1 | Ground | - |
| 2 | Park lock confirmation | Input |
| 3 | Ground | - |
| 4 | Sport/Manual switch | Output |
| 5 | CommandShift™ + (up shift) | Output |
| 6 | CommandShift™ - (down shift) | Output |
| 7 | Ignition position II supply 12V | Input |
| 8 | Permanent power supply 12V | Input |
| 9 | Shift Interlock solenoid + | Input |
| 10 | Shift Interlock solenoid - | Input |
| 11 | Selector indicator PARK LED | Output |
| 12 | Selector indicator REVERSE LED | Output |
| 13 | Selector indicator NEUTRAL LED | Output |
| 14 | Selector indicator DRIVE LED | Output |
| 15 | Selector indicator SPORT/MANUAL LED | Output |
| 16 | Selector indicator backlight | Output - PWM |
| 17 - 18 | Not used | - |
_files/CASN4XIH.jpg)
| 1 | - | Malfunction Indicator Lamp (MIL) |
| 2 | - | Message centre |
| 3 | - | Selector lever position indicator |
| 4 | - | Mode display |
| Symbol | Description |
|---|---|
| P | Park selected |
| R | Reverse selected |
| N | Neutral selected |
| D | Drive selected |
| 1 | 1st gear selected (Manual CommandShift™ mode) |
| 2 | 2nd gear selected (Manual CommandShift™ mode) |
| 3 | 3rd gear selected (Manual CommandShift™ mode) |
| 4 | 4th gear selected (Manual CommandShift™ mode) |
| 5 | 5th gear selected (Manual CommandShift™ mode) |
| 6 | 6th gear selected (Manual CommandShift™ mode) |
_files/CA4CXODT.jpg)
| Pin No. | Description | Input/Output |
|---|---|---|
| 1 | Manual/sport shift programme selection | Input |
| 2 | CAN low | Input/Output |
| 3 | Diagnostic ISO9141 K Line bus | Input/Output |
| 4 | CommandShift™ - (downshift) | Input |
| 5 | CommandShift™ + (upshift) | Input |
| 6 | CAN high | Input/Output |
| 7 | Shiftlock power supply | Output |
| 8 | Not used | - |
| 9 | Ignition position II supply 12V | Input |
| 10 | Park/Neutral signal (starter inhibit) | Input |
| 11 | Shiftlock ground | Output |
| 12 | Selector lever in park position confirmation signal | Input |
| 13 | Ground 1 | - |
| 14 | Permanent power supply 12V | Input |
| 15 | Not used | - |
| 16 | Ground 2 | - |
| P Code | Component/Signal | Fault Description |
|---|---|---|
| P012100 | Kickdown | Signal not plausible |
| P021900 | Stall speed/engine overspeed | Signal not plausible |
| P050000 | Wheel speeds plausible signal | General fault type |
| P050100 | Wheels speeds plausible signal | Signal not plausible |
| P056100 | Power supply (battery) | General fault type |
| P056200 | Power supply (battery) | Signal voltage too low |
| P056300 | Power supply (battery) | Signal voltage too high |
| P060100 | EPROM/FLASH Checksum | Signal not plausible |
| P060300 | Battery buffered RAM | Signal not plausible |
| P060500 | EPROM/FLASH Checksum after software verification | Signal not plausible |
| P061300 | Watchdog locking mechanism | General fault type Signal not plausible Short circuit to power supply Short circuit to ground Circuit break Short circuit to ground or power break Signal voltage too high Signal voltage too low Function specific, see monitoring function |
| P061300 | Micro controller components | General fault type No change in signal Function specific, see monitoring function |
| P062F00 | EEPROM communication | General fault type |
| P064100 | Sensor supply voltage | Signal voltage too high or too low |
| P065700 | Power supply pressure regulators and solenoids | Signal not plausible Circuit break |
| P065800 | Power supply pressure regulators and solenoids | Short circuit to ground |
| P065900 | Power supply pressure regulators and solenoids | Short circuit to power supply |
| P066800 | Micro processor chip temperature sensor | Signal voltage too low |
| P066900 | Micro processor chip temperature sensor | Signal voltage too high |
| P070000 | Combination of impossible substitute functions | General fault type Signal not plausible Signal voltage too high |
| P070500 | Selector position switch | Signal not plausible |
| P071000 | Transmission oil temperature | Circuit break |
| P071100 | Transmission oil temperature | General fault type Signal voltage too high |
| P071200 | Transmission oil temperature | Short circuit to ground |
| P071300 | Transmission oil temperature | Short circuit to power supply |
| P071600 | Transmission turbine speed sensor | Short circuit to ground or power break Signal voltage too high Signal voltage too low |
| P071700 | Transmission turbine speed sensor | Short circuit to power supply |
| P072000 | Transmission output shaft speed sensor | Short circuit to power supply Short circuit to ground or power break |
| P072100 | Transmission output shaft speed sensor | Signal voltage too high Signal not plausible |
| P072100 | Falling gradient on output speed | Signal not plausible |
| P072900 | Gear ratio - 6th gear | Signal not plausible |
| P073000 | Gear ratio symptom | Signal not plausible |
| P073100 | Gear ratio - 1st gear | Signal not plausible |
| P073200 | Gear ratio - 2nd gear | Signal not plausible |
| P073300 | Gear ratio - 3rd gear | Signal not plausible |
| P073400 | Gear ratio - 4th gear | Signal not plausible |
| P073500 | Gear ratio - 5th gear | Signal not plausible |
| P073600 | Gear ratio - reverse gear | Signal not plausible General fault type |
| P074000 | EPRS 6 | Circuit break |
| P074100 | Torque converter clutch permanently open | General fault type |
| P074800 | EPRS 1 | Signal voltage too high or too low |
| P075100 | Shift control solenoid valve | Short circuit to power or ground Circuit break |
| P075200 | Shift control solenoid valve | short circuit to ground |
| P075300 | Shift control solenoid valve | Short circuit to power supply |
| P077800 | EPRS 2 | Signal voltage too high or too low |
| P078000 | Gear load symptom | Signal voltage too high No change in signal |
| P078100 | Gear load during shift 1st to 2nd | Signal voltage too high No change in signal |
| P078100 | Gear load during shift 2nd to 1st | Signal voltage too high No change in signal |
| P078200 | Gear load during shift 2nd to 3rd | Signal voltage too high No change in signal |
| P078200 | Gear load during shift 3rd to 2nd | Signal voltage too high No change in signal |
| P078300 | Gear load during shift 3rd to 4th | Signal voltage too high No change in signal |
| P078300 | Gear load during shift 4th to 3rd | Signal voltage too high No change in signal |
| P078400 | Gear load during shift 4th to 5th | Signal voltage too high No change in signal |
| P078400 | Gear load during shift 5th to 4th | Signal voltage too high No change in signal |
| P079800 | EPRS 3 | Signal voltage too high or too low |
| P081C00 | Lever locking mechanism | General fault type Signal not plausible |
| P082600 | Manual/Sport switch module | Signal not plausible |
| P082900 | Gear load during shift 4th to 5th | Signal voltage too high |
| P082900 | Gear load during shift 5th to 6th | No change in signal |
| P082900 | Gear load during shift 6th to 5th | No change in signal |
| P085000 | Park/Neutral signal plausibility | Signal not plausible |
| P089700 | Oil temperature monitoring | General fault type |
| P093800 | Transmission oil temperature (cross-check against processor chip temperature) | Signal not plausible |
| P096000 | EPRS 1 | Short circuit to ground or power break Circuit break |
| P096200 | EPRS 1 | Short circuit to ground |
| P096300 | EPRS 1 | Short circuit to power supply |
| P096400 | EPRS 2 | Short circuit to ground or power break Circuit break |
| P096600 | EPRS 2 | Short circuit to ground |
| P096700 | EPRS 2 | Short circuit to power supply |
| P096800 | EPRS 3 | Short circuit to ground or power break Circuit break |
| P097000 | EPRS 3 | Short circuit to ground |
| P097100 | EPRS 3 | Short circuit to power supply |
| P178300 | Hot shutdown | General fault type |
| P182500 | Shift interlock solenoid | Short circuit to ground Short circuit to power supply Circuit break |
| P271600 | EPRS 4 | Signal voltage too high or too low |
| P271800 | EPRS 4 | Short circuit to ground or power break Circuit break |
| P272000 | EPRS 4 | Short circuit to ground |
| P272100 | EPRS 4 | Short circuit to power supply |
| P272500 | EPRS 5 | Signal voltage too high or too low |
| P272700 | EPRS 5 | Short circuit to ground or power break Circuit break |
| P272900 | EPRS 5 | Short circuit to ground |
| P273000 | EPRS 5 | Short circuit to power supply |
| P275900 | EPRS 6 | Signal voltage too high |
| P276100 | EPRS 6 | Short circuit to ground or power break |
| P276200 | EPRS 6 | Signal voltage too small |
| P276300 | EPRS 6 | Short circuit to power supply |
| P276400 | EPRS 6 | Short circuit to ground |
: Do not remove the key or move the ignition switch to position 'O' when
the vehicle is being towed. The steering lock will be engaged preventing
the steering from being turned. With the engine not running, the brake
booster and power steering pump will be inoperative. Care must be taken to
ensure the vehicle is manoeuvred and driven accordingly.
|
| A = Hardwired; D= High Speed CAN Bus |
_files/CAXGAM7P.jpg)
| 1 | - | Diagnostic socket |
| 2 | - | Mechatronic Valve (including TCM, sensors and solenoids) |
| 3 | - | Instrument cluster |
| 4 | - | Engine Control Module (ECM) |
| 5 | - | Selector indicator |
| 6 | - | Selector indicator |
| 7 | - | Fusible link 7E (50A) |
| 8 | - | Fuse 43P (5A) |
| 9 | - | Selector lever assembly |
| 10 | - | Fuse 33P (5A) |
| 11 | - | Ignition switch |
| 12 | - | Fusible link 10E (30A) |
| 13 | - | Fuse 27P (5A) – Ignition feed |
| 14 | - | Fuse 4E (10A) – Permanent feed |
| 15 | - | Starter relay |