| : | Jul 3, 2007 |
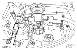
: To avoid having scalding hot coolant or steam blowing out of the cooling
system, use extreme care when removing the coolant pressure cap from a hot
cooling system. Wait until the engine has cooled, then wrap a thick cloth
around the coolant pressure cap and turn it slowly until the pressure
begins to release. Step back while the pressure is released from the
system. When certain all the pressure has been released (still with a
cloth) turn and remove the coolant pressure cap from the coolant expansion
tank. Failure to follow these instructions may result in personal injury.
|
: The engine cooling system must be maintained with the correct
concentration and type of anti-freeze solution to prevent corrosion and
frost damage. Failure to follow this instruction may result in damage to
the vehicle. |
: Engine coolant will damage the paint finished surfaces. If spilt,
immediately remove the coolant and clean the area with water.
|
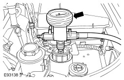
: Since injury such as scalding could be caused by escaping steam or
coolant, do not remove the filler cap from the coolant expansion tank
while the system is hot. |
: Do not work on or under a vehicle supported only by a jack. Always
support the vehicle on safety stands. |
|
|
_files/CA0VK7MN.jpg)
|
|
_files/CAM0IU2O.jpg)
: Engine coolant will damage the paint finished surfaces. If spilt,
immediately remove the coolant and clean the area with water.
|
|
|
|
|
_files/CA1CBXJ1.jpg)
|
|
|
|
: Engine coolant will damage the paint finished surfaces. If spilt,
immediately remove the coolant and clean the area with water.
|
|
|
|
|
_files/CAYVAJ0T.jpg)
|
|
|
|
|
|
_files/CA2246Y6.jpg)
_files/CAERO5AR.jpg)
_files/CA8RR91J.jpg)
_files/CAONII73.jpg)
_files/CAZLVJA4.jpg)
_files/CALC5SLT.jpg)
_files/CAZLVJA4.jpg)
_files/CAZLVJA4.jpg)
|
|
_files/CAOH6V0H.jpg)
_files/CAUNO1EF.jpg)
|
|
|
|
|
|
|
|
_files/CAM0IU2O.jpg)
|
|
: Since injury such as scalding could be caused by escaping steam or
coolant, do not remove the filler cap from the coolant expansion tank
while the system is hot. |
_files/CAASCLIO.jpg)