| : | May 13, 2004 |
_files/LoadAsset.jpg)
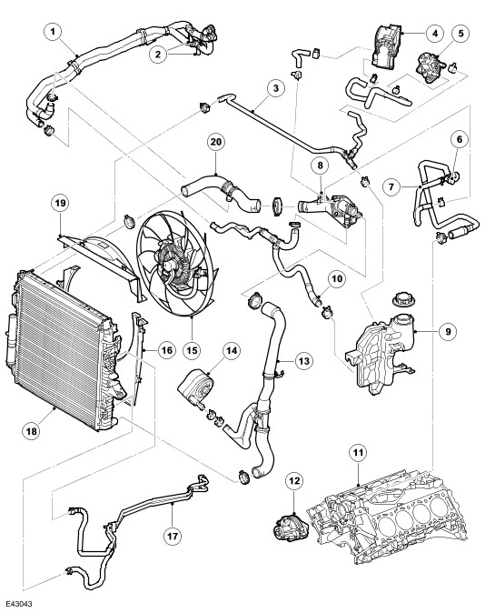
| 1 | - | Heater hose, in and out |
| 2 | - | Connections for rear heater |
| 3 | - | Hose, radiator to expansion tank |
| 4 | - | Throttle body |
| 5 | - | EGR valve |
| 6 | - | Bleed screw |
| 7 | - | Hose, water outlet to cylinder block |
| 8 | - | Water outlet pipe assembly |
| 9 | - | Expansion tank |
| 10 | - | Hose, heater to thermostat |
| 11 | - | Cylinder block |
| 12 | - | Water pump |
| 13 | - | Hose, radiator to thermostat |
| 14 | - | Oil cooler |
| 15 | - | Cooling fan |
| 16 | - | Shroud, lower |
| 17 | - | Transmission oil pipes |
| 18 | - | Radiator |
| 19 | - | Shroud, upper |
| 20 | - | Hose, water outlet to radiator |
| If the electrical connections to the viscous fan are disconnected the fan will 'idle' and overheating may result. The ECM stores the appropriate fault codes in this case. |
_files\LoadAsset(1).jpg)